1
/
of
1
SKU:A-3040
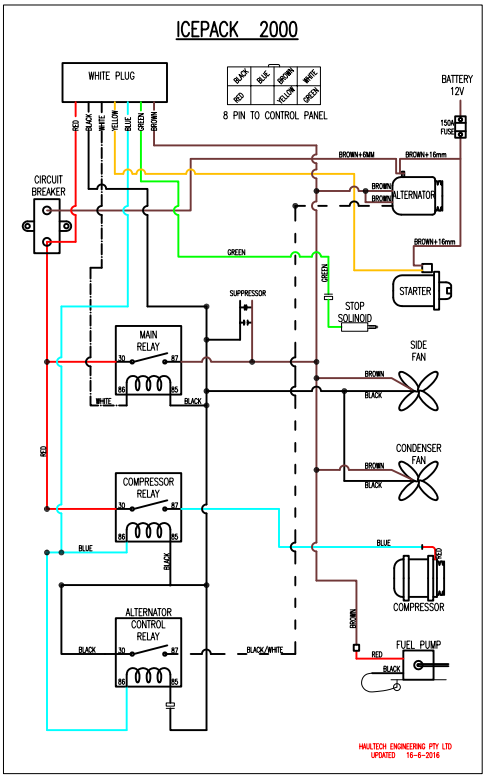
Wiring Diagrams - Icepack 2000
Wiring Diagrams - Icepack 2000
Regular price
$0.00 AUD
Regular price
Sale price
$0.00 AUD
Unit price
/
per
EX GST
Couldn't load pickup availability
Share
